启东恒发润滑设备有限公司,欢迎广大新老客户来电来函咨询访问!
今天是:
干油润滑部分
稀油润滑部分
油气润滑部分
管接头管夹部分
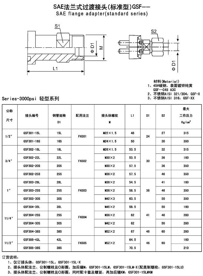
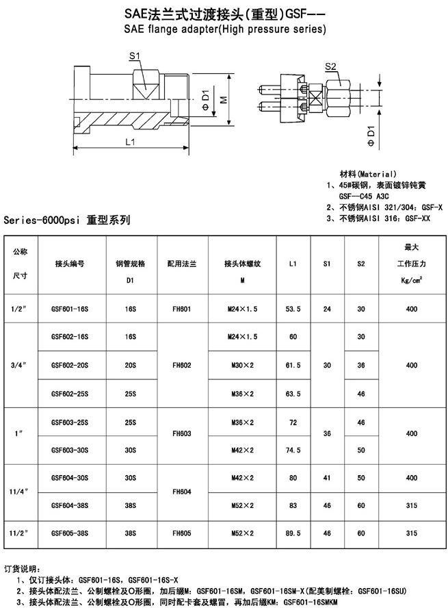
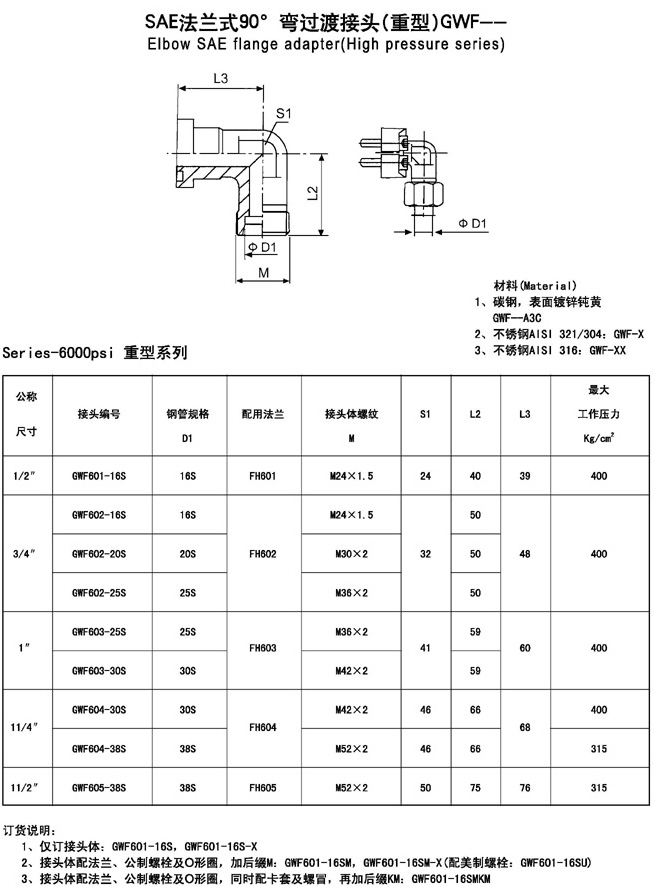
SAE法兰部分
启东恒发润滑设备有限公司 地址:启东市汇龙镇工业园区跃龙路22号
电话:0513-83654611 83660611传真:0513-83654633 网址:www.qdhfrh.com E-mail:hf@qdhfrh.com